10G 850nm LCC多路并行光模块(回流焊版本)
发布时间:2025-04-11 13:26:50
发布者:yth2206游艇会科技
浏览次数:531b块的焊接效率与长期可靠性。该工艺通过精准控制温度曲线,将LCC(无引线芯片载体)封装的光模块与PCB基板无缝焊接,实现无引脚表面贴装(SMT),避免了传统手工焊接可能导致的虚焊、热应力集中等问题。模块的封装材料与结构经过特殊优化,能够承受回流焊过程中高达260°C的峰值温度而不损伤内部光电器件,确保批量生产的一致性与稳定性。回流焊接技术还赋予模块更紧凑的布局能力,结合LCC封装的低剖面特性,可适配高密度电路板设计,满足服务器、机载设备等空间受限场景的部署需求。此外,这一工艺大幅简化了生产流程,支持全自动化贴装,降低制造成本,同时焊点机械强度高、耐温性能优异,为模块在工业级(-55°C~+85°C)严苛环境下的抗振动、抗热疲劳能力提供了坚实保障,是高速光互连设备实现高效量产与高可靠运行的关键技术支撑。
产品特性:
2路发送2路接收/4路发送4路接收 并行光纤通道
支持单通道10.3125Gbps速率传输
OM3多模光纤传输距离100m
扁纤/圆纤/散纤/带弹簧/带导针可选
单3.3V电源供电
数据差分信号输入/输出CML电平
I2C串行数据接口通信监控
紧凑的结构设计,高密度高容量
回流焊接
产品等级:
军品工业级(J):-40°C~+85°C
军品扩展工业级(M):-55°C~+85°C
定制温度级(D)
产品应用:
支持甚短距离的高速数据通信连接
服务器与存储器阵列的互连
机载雷达
其他光学链接
执行标准:
符合I类激光安全标准IEC-60825
ROHS2.0
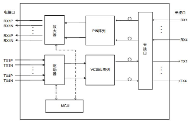
原理框图
2路收发并行LCC光模块原理框图
4路收发并行LCC光模块原理框图
订购信息表:
| 型号 | 封装形式 | 速率 | 波长 | 传输距离 | 光纤类型 | 接口 | 工作温度(注1) |
| DTBBQ44-922*(注2)NJ2R*(注3) | LCC32 | 10Gbps | 850nm | 100m | 多模 | MT | -40°C~+85°C |
| DTBBQ44-922*(注2)NM2R*(注3) | LCC32 | 10Gbps | 850nm | 100m | 多模 | MT | -55°C~+85°C |
| DTBBP44-944*(注2)NJ2R*(注3) | LCC48 | 10Gbps | 850nm | 100m | 多模 | MT | -40°C~+85°C |
| DTBBP44-944*(注2)NM2R*(注3) | LCC48 | 10Gbps | 850nm | 100m | 多模 | MT | -55°C~+85°C |
注1:外壳温度。
注2:“*”=H表示扁纤;“*”=J表示圆纤;“*”=N表示散纤(默认带透明螺纹管);“*”=P表示带弹簧扁纤;“*”=Q表示带弹簧圆纤。
注3:“*”表示尾纤长度,详见尾纤长度代码表。
尾纤长度代码表:
| 尾纤长度(mm) | 代码 | 尾纤长度(mm) | 代码 |
| 30 | 0 | 150 | R |
| 50 | A | 160 | S |
| 55 | B | 170 | T |
| 60 | C | 180 | U |
| 65 | D | 190 | V |
| 70 | E | 200 | 2 |
| 75 | F | 300 | 3 |
| 80 | G | 400 | 4 |
| 85 | H | 500 | 5 |
| 90 | J | 600 | 6 |
| 95 | K | 700 | 7 |
| 100 | 1 | 800 | 8 |
| 110 |
M |
900 | 9 |
| 120 | N | 1000 |
L |
| 130 | P | 1500 | Z |
| 140 | Q | 定制 | Y |
注:
-
尾纤长度≥50mm 时扁纤、圆纤、散纤可选,带弹簧、带导针可选。
-
尾纤长度<50mm 时可做扁纤,不带弹簧。
-
尾纤长度常规公差为±L*5%。
-
特殊需求另行沟通。
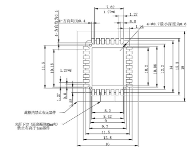
模块尺寸(单位为毫米,未标注公差为±0.2mm)
印制板推荐尺寸
模块回流焊接(该焊接只支持满足回流焊工艺的产品)
一、焊接前准备
1:焊接前建议清洁焊盘(用乙醇清洗,待乙醇完全挥发后进行焊接)。
2:采用回流焊接,操作人员要求带防静电腕带、防静电指套或手套。
3:回流焊放置模块时,请注意必须对准丝印框,误差建议控制在0.1mm以内。
4:若模块焊接位置靠近板边,则模块主体可能会因为尾纤自重,轻微翘起或者无法放平。若出现该情况,建议根据主板实际情况,在板边设计工装以承托尾纤,保证模块主体可以完全放平。不然可能出现焊接不良或者无法焊接等异常。
5:回流焊前MT光纤接口需要戴好防尘帽保护端面,接口用隔热材料进行适当保护,避免端面脏污。
二、焊接操作要求
1:焊接建议使用有铅锡膏进行焊接,焊接时炉温不超过230°C。炉内温度均匀一致,各点温度差异最大不超过10°C。焊接区时间建议≤90s,整个回流焊过程持续时间建议≤8min。
回流焊温度曲线参考图
2:模块整体回流焊次数≤2次,超过2次有可能会永久性损坏模块内部设计,引起产品性能产生不可逆的损伤,造成产品失效。
3:回流焊时,注意尾纤请勿沾锡,且不能被任何重物压住,可用耐高温材料进行保护。
三、焊接后检查处理
1:若回流焊完成恢复至常温后,尾纤出现弯曲等,属于正常现象。可将模块置于70°C~90°C环境中,待热缩管软化后,从高温环境中取出,并同时轻轻拉直尾纤,尾纤恢复至常温后,即可恢复变直。
2:经过回流焊过后MT防尘帽会变形,该现象属于正常现象,请回流焊完成后更换新的防尘帽以保护MT光口端面。
3:焊接结束后,需要通过X-RAY等技术手段,确认模块焊接无短路或者虚焊。
四、测试前光口清洁、检查
1:模块在测试前,光接口要求用无尘棉棒蘸取酒精进行擦拭。擦拭方法如下:采用清洁的无尘棉棒蘸取适量酒精,沿一个方向进行擦拭,擦拭同时需适当转动棉棒,每只棉棒擦拭次数不超过3次。待酒精完全挥发后,方可进行插拔。在插拔前,要求采用同样的方式对连接跳线的光口进行擦拭;
2:对光纤的检查推荐使用光纤端面检查仪。





